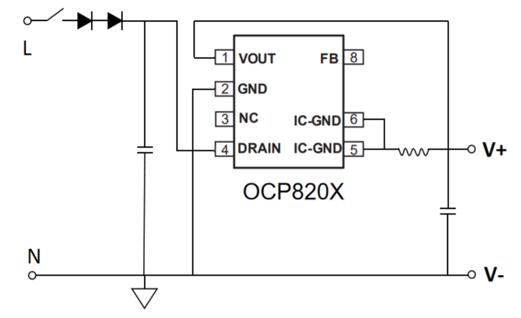
OCP820X內置高可靠性的750V MOSFET、 650V續流二極管,外圍電路精簡、器件數量少,且節 省供電電容,是一款低成本、高度集成化多模式電源 控制器,主要應用在小功率恒壓輸出的非隔離開關電 源。
OCP820X的多模式控制技術,盡可能減小系統 待機損耗,提升系統效率,降低系統開關過沖,同時 動態性能和輕載工作時的音頻噪聲也得到有效的改 善。 為了系統的可靠性,OCP820X集成了完善的自 恢復保護功能。比如逐周期限流保護、輸出短路保護、 過壓保護、過載保護、過溫保護等功能。
該芯片采用SOP-7L封裝,工作溫度范圍-40℃到85℃。
主要特性 ? 輸出電壓典型值為5V(可調) ? 內置750V高可靠性MOSFET ? 內置650V輸出續流二極管 ? 待機功耗≤50mW(輸入230Vac) ? 多模式控制 ? 可節省供電電容 ? 優異的線電壓調整率和負載調整率 ? 優異的EMI抑制特性 ? 集成軟啟動、逐周期電流限制功能 ? 輸出短路、過載、過壓保護 ? 芯片過溫保護
典型應用 ? 智能設備電源 ? 非隔離輔助電源

