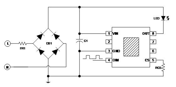
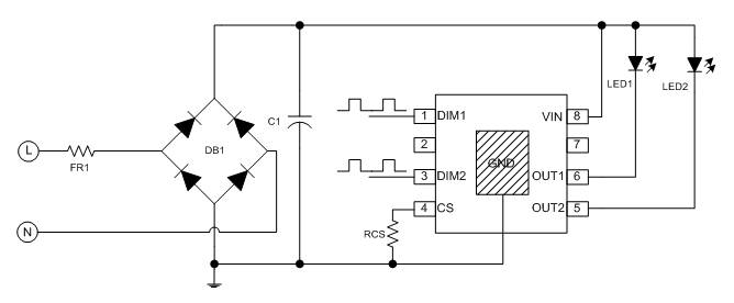
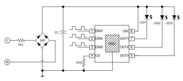
L107 是一款支持智能調光調色溫應用的線性恒流驅動芯片,單顆芯片驅動功率高達12W,滿足功率因數為0.5 或0.7 的應用,在1%至100%范圍內調光(或調色溫)。
內置的PWM 濾波電路將斷續的PWM信號重組為連續的模擬信號,控制高壓電流源的輸出電流連續,降低了LED 發光頻閃,并且,基于該方案的LED 照明裝置具有較低的電磁干擾,降低了對智能通訊信號的干擾,允許較寬的PWM 頻率和更低的PWM 占空比,改善了智能調光的性能。
采用 ESOP-8 環保封裝,單顆最大功率高達12W,支持多個芯片并聯擴展功率。
? 特點
? PWM占空比:1%-100%范圍
? PWM頻率:1-100KHz
? 可設置恒功率補償
? 支持PF~0.5 和PF>0.7 的應用
? 過溫度保護
? 低電磁干擾
? 低待機功耗
? 應用領域
? 智能照明驅動



| L1062/3 | ESOP8 | ≤12W @ 220Vac | 帶5V/3mA供電 單/雙路PWM調光 | 適用于小功率無認證要求智能燈具 |
| L1071/2/3 | ESOP8 | ≤12W @ 220Vac | 單路至三路PWM調光 | 適用于小功率無認證要求智能燈具 |
| L1066 | HSOP8 | ≤10W @ 220Vac | 帶5V/3mA供電 單路PWM調光 | 低PF無頻閃,符合新國標和ERP認證,適用于小功率有認證要求智能燈具 |
| LA1235MC/SC | ESOP10&ESOP8 | ≤17W @ 220Vac | 帶5V/3mA供電 低諧波PWM調光 | 符合3C和CE認證,適用于大功率有認證要求智能燈具 |