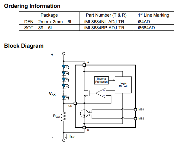
iML8684是用于調節LED流通電流的三端電 流控制器(TTCC)。
iML8684的應用架構是和LED并聯使用。
iML8684可用作壓控電流源,電流調節器或者關 斷電流來使用。適用于經過整流后的交流電壓 源的應用。PCB布局也非常靈活,可滿足各種形狀的要 求。它特別適用于取代白熾燈泡和管狀熒光燈。
芯片-88V輸入承受電壓。-<3V壓降,最高可達150mA調節電流。·系統-完全使用固態組件。-無需電解電容。-燈具機械尺寸壓縮到最小化降低成本。-驅動電路和LED燈珠同板設計解決方案,最大限度地減少工藝流程和組裝成本。-高PF和低THD性能。-實現高效率。-靈活的PCB布局風格。-寬的LED正向VF電壓選擇范圍。一功耗分散到幾個芯片。-可TRIAC調光。
應用·ACLED光引擎·LED球泡燈·LED管燈·LED簡燈和天花燈■LED平板燈


