
LS522 是一款應用于 13.56MHz 非接觸式通信中的高集成 度讀寫卡芯片,它集成了在 13.56MHz 下所有類型的被動非接 觸式通信方式和協議,支持 ISO14443A/B 的多層應用。
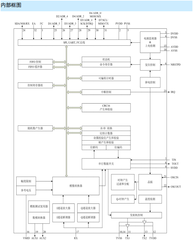
? 高度集成的超低功耗的非接觸式讀寫卡芯片,工作在 13.56MHz ? 采用少量外部器件,即可將輸出驅動級接至天線 ? 支持 ISO/IEC 14443 A/B 106kBd,212kBd,424kBd,848kBd 傳輸速率的通信 ? 有效讀卡距離可達 8cm-10cm,這取決于天線設計 ? 支持主機接口 ◆10Mbit/s 的 SPI 接口 ◆I 2C 接口,快速模式的速率為 400kBd,高速模式的 速率為 3400kBd ◆高達 1228.8kBd 的 RS232 串行 UART,其電平取決 于所提供的管腳電壓 ? 64 字節的發送和接收 FIFO 緩沖區 ? 靈活的中斷模式 ? 低功耗的硬件復位 ? 軟件掉電模式 ? 可編程定時器 ? 內部振蕩器,連接 27.12MHz 的晶體 ? 2.5V-3.6V 的電源電壓 ? 內置 CRC 協處理器,符合 ISO/IEC14443 和 CCITT 協議 ? 可編程的 I/O 管腳 ? 內部自檢
應用 ? 金融領域讀寫設備,身份證讀卡 器 ? 智能鎖門鎖,酒店鎖,桑拿柜鎖等 非接觸式讀卡裝置 ? 各類非接觸式讀卡設備,公交卡、 校園卡讀卡器 ? 各類非接觸式門禁系統,簽到、考 勤機





