LP2601 是一款高效率高精度的非隔離降壓開關電 源恒壓控制驅動芯片。適用于 85VAC~265VAC 全 范圍輸入電壓的非隔離 Buck、Buckboost 拓撲結構, 尤其適用于應急燈等電源的驅動。
LP2601 內部集成高壓功率管,采用恒壓控制模式, 系統(tǒng)工作在電感電流臨界模式。方案可靠性強,外 圍應用簡單。 LP2601 具有多重保護功能,包括 VCC 鉗位/欠壓保 護,過溫保護等保護功能。
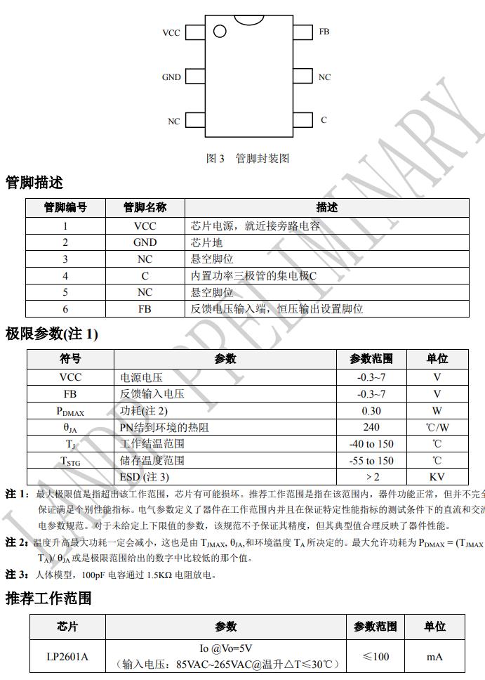
LP2601 采用 SOT23-6L 封裝。
特點 ? 集成>800V功率管 ? 恒壓控制 ? QR工作模式 ? 內置峰值電流,無需采樣電阻 ? 內置啟動電路,無需啟動電阻
? 寬輸入電壓 最小直流輸入電壓16V能正常工作 ? 過溫保護 ? VCC鉗位/欠壓保護
應用 ? 應急燈驅動照明 ? 小家電、白色家電等開放式電源

