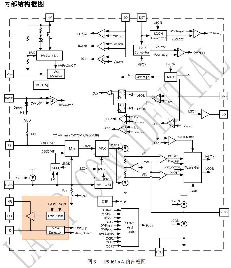
LP9961AA 是一款帶有高壓半橋驅動的全集成 LLC 控制器。內部實現了 600V 的高壓柵極驅動,使得 可以采用極簡的外圍元件,就可以實現高效、可靠 的 LLC 諧振系統。自適應的死區時間控制可以極大 的改善系統的效率。特有的突發控制模式,可以滿 足同時實現輕載下的高效率和空載下的低待機功 耗。
LP9961AA 通過內部的 LDO 控制器輸出穩定的電 壓電源,可以給外搭配的 PFC 控制器直接供電。 LP9961AA 內部集成多重保護機制:輸入過/欠壓保 護、輸出過壓保護、過流保護、容性區保護以及過 溫保護。
應用 ? TV開關電源 ? LED照明 ? AC-DC適配器 ? PC電源適配器
特點
? 采用模擬雙向電流控制環路 ? 自適應死區時間控制 ? 突發模式的外部可編程并引入線電壓補償 ? 數字算法輸入功率控制,保證不受線電壓影響 ? 支持較寬的工作頻率范圍35KHz~1MHz ? 內置高壓啟動 ? Boot Diode內部集成
? 優秀的EMI和音頻特性 ? 上電諧振電容放電功能 ? 內置軟啟動電路 ? 待機功耗小于75mW ? 多重保護機制: ☆ 輸入過壓、欠壓保護 ☆ 輸出過壓保護 ☆ 過流保護 ☆ 容性區保護 ☆ 過溫保護 ? 采用SOP16封裝


